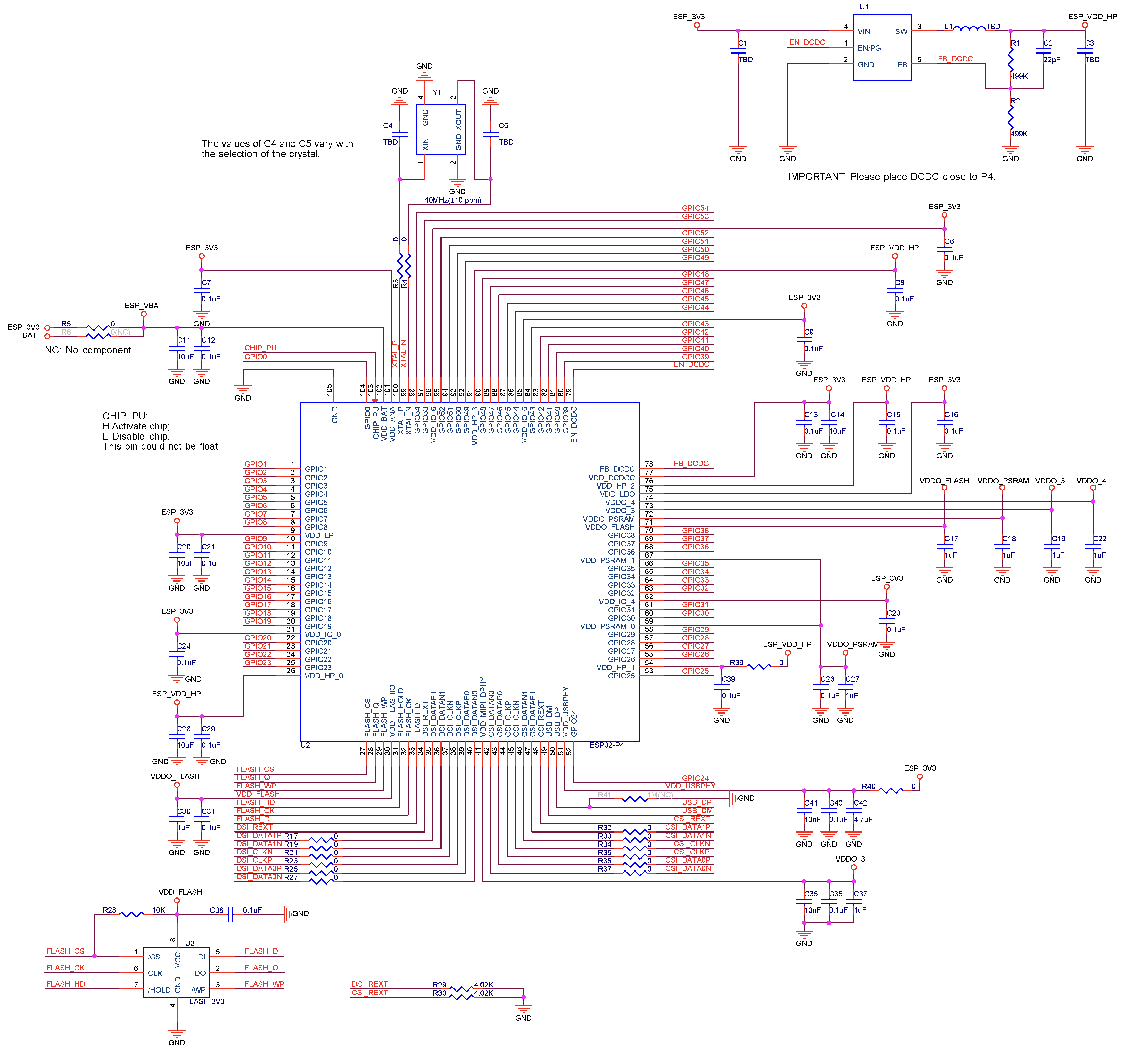
ESP32-P4: Which frequency crystal/oscillator does it need?
The ESP32-P4 microcontroller from Espressif requires a 40 MHz crystal or oscillator for its main clock source.
You generally cannot use any other frequency crystal.
I recommend to use a oscillator rather than a simple crystal, as it simplifies the design and improves stability. Crystals have a tendency to not oscillator or pick up noise.
Source: ESP32-P4 datasheet, ESP32-P4 core schematic
Check out similar posts by category:
ESP32-P4, Electronics, Embedded
If this post helped you, please consider buying me a coffee or donating via PayPal to support research & publishing of new posts on TechOverflow